固態繼電器是一種集成了微電子電路、分立電子器件以及電力電子功率器件的無觸點開關。它巧妙地利用了電子元件,例如開關三極管、雙向可控硅等半導體器件的開關特性,從而實現了電路的無觸點、無火花接通和斷開,因此被形象地稱為 “無觸點開關”。
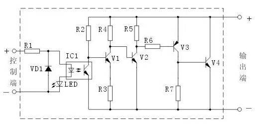
一、固態繼電器的結構


固態繼電器主要由三個關鍵部分組成,即輸入電路、隔離(耦合)電路和輸出電路。在輸入電路的控制端加入相應信號后,光電耦合器 IC1 內的光敏三極管會呈現導通狀態。其中,R1 串接電阻的作用是對輸入信號進行限流,確保光耦合器不會因過流而損壞。LED 發光二極管用于指示輸入端控制信號的存在,而 VD1 則能夠在輸入信號正負極性接反時,對光耦 IC1 起到保護作用。


二、交流固態繼電器工作原理
交流固態繼電器通常為過零型。V1 在電路中承擔交流電壓檢測的任務,使得固態繼電器在電壓過零時開啟,負載電流過零時關斷。當 IC1 光敏三極管截止,即控制端無信號輸入時,V1 通過 R2 獲得基極電流而飽和導通。這使得 SCR 可控硅的門極觸發電壓 UGT 被箝位在低電位,保持關斷狀態,進而導致 BTA 雙向可控硅在門極控制端 R6 上無觸發脈沖,同樣處于關斷狀態。
而當 IC1 光敏三極管導通,即控制端有信號輸入時,SCR 可控硅的工作狀態由交流電壓零點檢測三極管 V1 來決定。如果電源電壓經 R2 與 R3 分壓后,A 處電壓大于過零電壓(VA > VBE1),V1 處于飽和導通狀態,SCR、BTA 可控硅均關斷。反之,當 A 處電壓小于過零電壓時,V1 截止,SCR 可控硅通過 R4 獲得觸發信號而導通,BTA 雙向可控硅也因此在 R6 上獲得觸發信號,進入導通狀態,實現對負載電源的控制。若此時控制端信號關斷,負載電流減小至 BTA 雙向可控硅的維持電流 IH 時,BTA 可自行關斷,切斷負載電源。
三、直流固態繼電器工作原理
在直流固態繼電器的輸入控制回路中,電阻 R1 串接在 IC1 光電耦合器輸入端,起到對其發光管的限流保護作用。發光管 LED 用于指示輸入控制信號,VD1 則對輸入端的反偏電壓進行保護。當控制端無信號輸入時,IC1 光電耦合器中的光敏三極管呈截止高阻狀態,V1 通過 R2 獲得基極電流,飽和導通,導致 V2、V3、V4 均截止,固態繼電器處于關斷狀態。


一旦控制端有信號輸入,IC1 中的光敏三極管導通,使 V1 截止,進而 V2、V3、V4 導通,固態繼電器接通,電源被加至負載上。直流固態繼電器的輸出端會隨著輸入端信號的加入而導通,信號消失則關斷。此外,在大功率低電壓的直流固態繼電器中,其輸出開關通常采用功率場效應管來替代功率三極管,以此來降低輸入功率。
〈烜芯微/XXW〉專業制造二極管,三極管,MOS管,橋堆等,20年,工廠直銷省20%,上萬家電路電器生產企業選用,專業的工程師幫您穩定好每一批產品,如果您有遇到什么需要幫助解決的,可以直接聯系下方的聯系號碼或加QQ/微信,由我們的銷售經理給您精準的報價以及產品介紹
〈烜芯微/XXW〉專業制造二極管,三極管,MOS管,橋堆等,20年,工廠直銷省20%,上萬家電路電器生產企業選用,專業的工程師幫您穩定好每一批產品,如果您有遇到什么需要幫助解決的,可以直接聯系下方的聯系號碼或加QQ/微信,由我們的銷售經理給您精準的報價以及產品介紹
聯系號碼:18923864027(同微信)
QQ:709211280

